۲۹ بهمن ۱۴۰۴
به روز شده در: ۲۹ بهمن ۱۴۰۴ - ۰۵:۳۰
فیلم بیشتر »»
کد خبر ۳۳۹۹۴۶
تعداد نظرات: ۵ نظر
تاریخ انتشار: ۲۱:۱۲ - ۱۹-۰۳-۱۳۹۳
کد ۳۳۹۹۴۶
انتشار: ۲۱:۱۲ - ۱۹-۰۳-۱۳۹۳

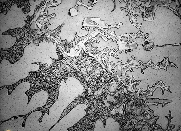
اشک انسان زیر میکروسکوپ (عکس)

روزلین فیشر، عکاس معروفی است که تصمیم به عکسبرداری از قطرات اشک خود در صبح یک روز کاری گرفته و آن را با قرار دادن در زیر میکروسکوپ با بزرگنمایی 40 برابر مطالعه و تصویربرداری کرده است.

اشک انسان زیر میکروسکوپ (عکس)
پربیننده ترین پست همین یک ساعت اخیر
برچسب ها: اشک ، میکروسکوپ
ارسال به دوستان
انتشار یافته: ۵
در انتظار بررسی: ۱۱
غیر قابل انتشار: ۰
ناشناس
Germany
۲۱:۳۰ - ۱۳۹۳/۰۳/۱۹
4
66
اشک غم است یا اشک شوق ؟/
ناشناس
Iran (Islamic Republic of)
۲۱:۳۲ - ۱۳۹۳/۰۳/۱۹
4
27
شبیه عکسای هوایی از رودخونه هاست......
ناشناس
Iran (Islamic Republic of)
۲۱:۴۷ - ۱۳۹۳/۰۳/۱۹
9
12
شکل ظاهری اشک زیر میکروسکوپ بستگی به علت و شدت گریه هم دارد
ناشناس
Iran (Islamic Republic of)
۲۱:۵۳ - ۱۳۹۳/۰۳/۱۹
2
19
اشک دل شکسته
ناشناس
Iran (Islamic Republic of)
۲۱:۵۶ - ۱۳۹۳/۰۳/۱۹
3
21
بزرگنمایی 400 نه 40.
هفت خوراکی که بهتر است همین حالا در برنامه غذایی‌تان بگنجانید شلیک مرگبار از لوله اژدر؛ زیردریایی‌های مخفی چین به سرعت هایپرسونیک رسیدند! زنجبیل یا نعناع؛ کدام یک برای رفع حالت تهوع بهتر است؟ پهلوی‌ها به روایت دست اول یک شاهزاده قاجاری مغز چگونه کلمات را تفکیک می‌کند؟ کشف سیگنالی که نقش کلید اسپیس را دارد سکته هشداردهنده چیست؟؛ در صورت داشتن این علائم فوراً به اورژانس زنگ بزنید! جزئیات خواندنی آخرین ناهار بختیار در کاخ نخست‌وزیری قبل از فرار چرا عربستان و امارات با وجود بیابان‌های وسیع، سالانه میلیون‌ها تن شن و ماسه وارد می‌کنند؟ فیل‌ها بدون سبیل‌های روی خرطومشان تقریباً نابینا هستند جنگنده‌های مدرن امروزی چطور از شناسایی شدن توسط رادار جلوگیری می‌کنند؟ شقایق فراهانی: یواشکی گلشیفته را نشان دادم مزخرف مثل مدیران، سرمربی و البته بازیکنان استقلال آینده مبهم ساپینتو در استقلال؛ وداع تلخ با لیگ قهرمانان صدور قرار بازداشت برای دو مداح معروف در یزد بلومبرگ: سقوط قیمت طلا با تعطیلی چین به مناسبت سال نو